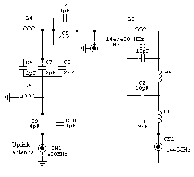
Budowa dipleksera 2m / 70cm
Diplekser jest urządzeniem umożliwiającym podłączenie dwu anten z różnych pasm do jednego odbiornika / nadajnika, bądź też na odwrót – dwu nadajników / odbiorników do jednej (wielopasmowej) anteny. Jest to urządzenie pasywne, składające się z dwu filtrów – dolnoprzepustowego oraz górnoprzepustowego z jednym wspólnym wejściem / wyjściem.

Ponieważ wykorzystywane przez nas radio (transceiver) Yaesu FT-991 posiada wspólne gniazdo antenowe dla pasma 2m (145MHz) oraz 70cm(435MHz) a wykorzystujemy oddzielne anteny na te pasma, zaszła potrzeba wykorzystania dipleksera. Zdecydowano się na wykonanie dipleksera we własnym zakresie. Urządzenie zostało zaprojektowane w oparciu o projekt fabrycznego urządzenia Diamond MX-72

Udało się uzyskać zadowalające parametry: tłumienie w paśmie przepustowym <0,3dB, izolacja >45dB, WFS<1,1. Choć izolacja na poziomie 45dB jest poniżej oczekiwanej, niemniej jednak jest ona całkowicie wystarczająca w układzie, gdzie wykorzystujemy jedno radio i dwie anteny.



